• Βουλή
  • Μαθητικό Βοήθημα
  • Γυμνάσιο / Τεχνικές Σχολές Βοηθών Εργοδηγών Μηχανουργικών και Ηλεκτρικών Εγκαταστάσεων
QR Code
03-20560376
Θ. Κουζέλης

Απαντήσεις επί των θεμάτων Πτυχιακών Εξετάσεων Τεχνικών Βοηθών Εργοδηγών Ηλεκτρικών Εγκαταστάσεων
[1970]

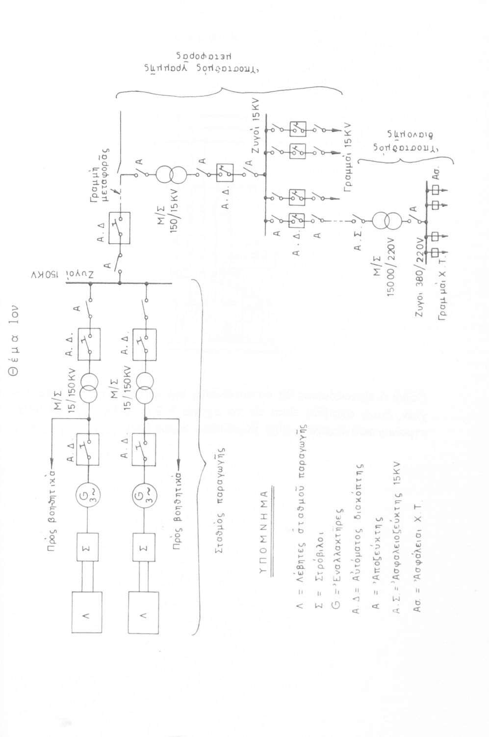
Μαθητικό Βοήθημα για τις τάξεις του Γυμνασίου και τις Τεχνικές Σχολές Βοηθών Εργοδηγών Μηχανουργικών και Ηλεκτρικών Εγκαταστάσεων που περιέχει τις απαντήσεις των θεμάτων των πτυχιακών εξετάσεων για τη σχολή Τεχνικών Βοηθών Εργοδηγών για Ηλεκτρικές Εγκαταστάσεις.


TopΠΕΔΙΟ ΑΝΑΓΝΩΡΙΣΗΣ

Κωδικός αναγνώρισης: 03-20560376

Τίτλος: Απαντήσεις επί των θεμάτων Πτυχιακών Εξετάσεων Τεχνικών Βοηθών Εργοδηγών Ηλεκτρικών Εγκαταστάσεων

Συγγραφέας: Θ. Κουζέλης

Μέγεθος και υπόστρωμα: Μαθητικό βοήθημα, μαλακό εξώφυλλο, 386 σελίδες. Εικόνες, σκίτσα ασπρόμαυρα.

TopΠΕΔΙΟ ΠΕΡΙΕΧΟΜΕΝΟΥ

Βαθμίδα εκπαίδευσης: Δευτεροβάθμια

Τάξη: Γυμνάσιο / Τεχνικές Σχολές Βοηθών Εργοδηγών Μηχανουργικών και Ηλεκτρικών Εγκαταστάσεων

Γλώσσα: Δημοτική

Παρουσίαση περιεχομένου: Μαθητικό Βοήθημα για τις τάξεις του Γυμνασίου και τις Τεχνικές Σχολές Βοηθών Εργοδηγών Μηχανουργικών και Ηλεκτρικών Εγκαταστάσεων που περιέχει τις απαντήσεις των θεμάτων των πτυχιακών εξετάσεων για τη σχολή Τεχνικών Βοηθών Εργοδηγών για Ηλεκτρικές Εγκαταστάσεις.

TopΠΕΔΙΟ ΠΛΗΡΟΦΟΡΙΩΝ ΕΚΔΟΣΗΣ

Εκδότης: Οργανισμός Εκδόσεως Διδακτικών Βιβλίων

Έτος έκδοσης: 1970

Τόπος έκδοσης: Αθήνα

Έτος έγκρισης: 1970

TopΠΕΔΙΟ ΠΑΡΑΤΗΡΗΣΕΩΝ

Εντοπισμός πρωτοτύπου: Βιβλιοθήκη της Βουλής των Ελλήνων

Κωδικός βιβλιοθήκης: 20560376

TopΕΥΡΕΤΗΡΙΟ ΘΕΜΑΤΙΚΩΝ ΟΡΩΝ

Σχετιζόμενα πρόσωπα:

Σχετιζόμενοι όροι:


400 εγγραφές [361 - 380]
Σελίδα #351
Σελίδα #352
Σελίδα #353
Σελίδα #354
Σελίδα #355
Σελίδα #356
Σελίδα #357
Σελίδα #358
Σελίδα #359
Σελίδα #360
Σελίδα #361
Σελίδα #362
Σελίδα #363
Σελίδα #364
Σελίδα #365
Σελίδα #366
Σελίδα #367
Σελίδα #368
Σελίδα #369
Σελίδα #370
Σελίδα #371
Σελίδα #372
Σελίδα #373
Σελίδα #374
[Μαθητικό Βοήθημα]
Θ. Κουζέλης
Τάξη:  Σχολές Ηλεκτροτεχνιτών – Μηχανοτεχνιτών
Μάθημα:  Μηχανική
Μαθητικό βοήθημα Μηχανικής που περιέχει τις απαντήσεις των θεμάτων για τις πτυχιακές εξετάσεις των Σχολών Μηχανοτεχνιτών και εστιάζει στη μηχανική και την αντοχή των υλικών, την τεχνολογία των μηχανών και το ...
[Μαθητικό Βοήθημα]
Θ. Κουζέλης
Τάξη:  Σχολές Βοηθών Εργοδηγών Ηλεκτρικών Εγκαταστάσεων
Μάθημα:  Μηχανική
Σχολικό εγχειρίδιο Μηχανικής και Ηλεκτροτεχνίας που περιέχει τα θέματα εξετάσεων για τις τεχνικές σχολές των βοηθών εργοδηγών ηλεκτρικών εγκαταστάσεων.
[Μαθητικό Βοήθημα]
Θ. Κουζέλης
Τάξη:  Σχολές Ηλεκτροτεχνιτών – Μηχανοτεχνιτών
Μάθημα:  Μηχανική
Μαθητικό βοήθημα Μηχανικής που περιέχει τις απαντήσεις των θεμάτων για τις πτυχιακές εξετάσεις των Σχολών Μηχανοτεχνιτών και εστιάζει στη μηχανική και την αντοχή των υλικών, την τεχνολογία των μηχανών και το ...
[Μαθητικό Βοήθημα]
Θ. Κουζέλης
Τάξη:  Σχολές Ηλεκτροτεχνιτών – Μηχανοτεχνιτών
Μαθητικό βοήθημα Μηχανικής-Ηλεκτροτεχνικής που περιέχει τις απαντήσεις των θεμάτων των πτυχιακών εξετάσεων για την τεχνική σχολή Ηλεκτροτεχνιτών και εστιάζει στη μηχανική και την αντοχή των υλικών, την ...
[Σχολικό Εγχειρίδιο]
Σώτος Γ. Κουντουριώτης
Τάξη:  Γ' Σχολών Τεχνικών Βοηθών - Εργοδηγών
Μάθημα:  Θρησκευτικά
Σχολικό εγχειρίδιο Θρησκευτικών για τη Γ΄ Γυμνασίου τεχνικών, βοηθών, εργοδηγών που περιέχει τη διδασκαλία της Εκκλησίας περί Θεού, χριστολογικές έριδες και τη σχέση θρησκείας και επιστήμης. Ο συγγραφέας ...
[Σχολικό Εγχειρίδιο]
Μωυσής Μ. Μόσχοβιτς
Τάξη:  Β' Μέσων Τεχνικών - Επαγγελματικών Σχολών
Μάθημα:  Ηλεκτρολογία
Σχολικό εγχειρίδιο Β΄ Μέσων Τεχνικών και Επαγγελματικών Σχολών το οποίο εισάγει τους μαθητές στις βασικές έννοιες των ηλεκτρικών εγκαταστάσεων, αναλύει τα μέρη τους, και δίνει οδηγίες για την κατασκευή τους ...
[Σχολικό Εγχειρίδιο]
Μάριος Καλλικούρδης, Ευάγγελος Βάος
Τάξη:  Τεχνικές Σχολές
Μάθημα:  Ηλεκτρολογία
Σχολικό εγχειρίδιο Ηλεκτροτεχνικής για τους μαθητές των Τεχνικών Σχολών της Κατωτέρας και της Μέσης Εκπαίδευσης που αποτελεί εισαγωγή στους τρόπους σχεδίασης των εσωτερικών ηλεκτρολογικών συνδεσμολογιών, των ...
[Σχολικό Εγχειρίδιο]
Βασίλειος Ν. Τρουλλινός
Τάξη:  Επαγγελματικές Σχολές Τεχνικών Εργοδηγών Βοηθών Χημικών
Σχολικό εγχειρίδιο Τεχνολογίας Τροφίμων των Επαγγελματικών Σχολών Τεχνικών Εργοδηγών Βοηθών Μηχανικών. Στο πρώτο μέρος του βιβλίου εξετάζονται οι οργανικές και ανόργανες θρεπτικές ύλες, οι βιταμίνες και τα ...
[Παιδαγωγικό Βοήθημα]
Υπουργείο Εθνικής Παιδείας & Θρησκευμάτων
Τάξη:  Β' Λυκείου
Παιδαγωγικό βοήθημα Αρχαίων Ελληνικών Β΄ Λυκείου που είχε ως στόχο να βοηθήσει τους φιλολόγους στην κατάρτιση της διδακτέας ύλης και την επιλογή των κατάλληλων θεμάτων.
[Μαθητικό Βοήθημα]
Κ. Α. Σφαέλλος
Τάξη:  Γ' Γυμνασίου / Δ' Γυμνασίου / Ε' Γυμνασίου / Εμπορικές Σχολές
Μάθημα:  Νέα Ελληνικά
Μαθητικό βοήθημα Νέων Ελληνικών για τις Γ΄, Δ΄, Ε΄ Εξαταξίων Γυμνασίων και Εμπορικών Σχολών που περιλαμβάνει υποδείγματα εκθέσεων, περιγραφές, διηγήσεις, επιστολές, αναλύσεις λογοτεχνικών έργων, σχεδιαγράμματα