QR Code
03-20560386
Μάριος Καλλικούρδης, Ευάγγελος Βάος

Βιβλιοθήκη του Τεχνίτη – Τεχνικό Σχέδιο, Ηλεκτρολογικό Σχέδιο
[1964]

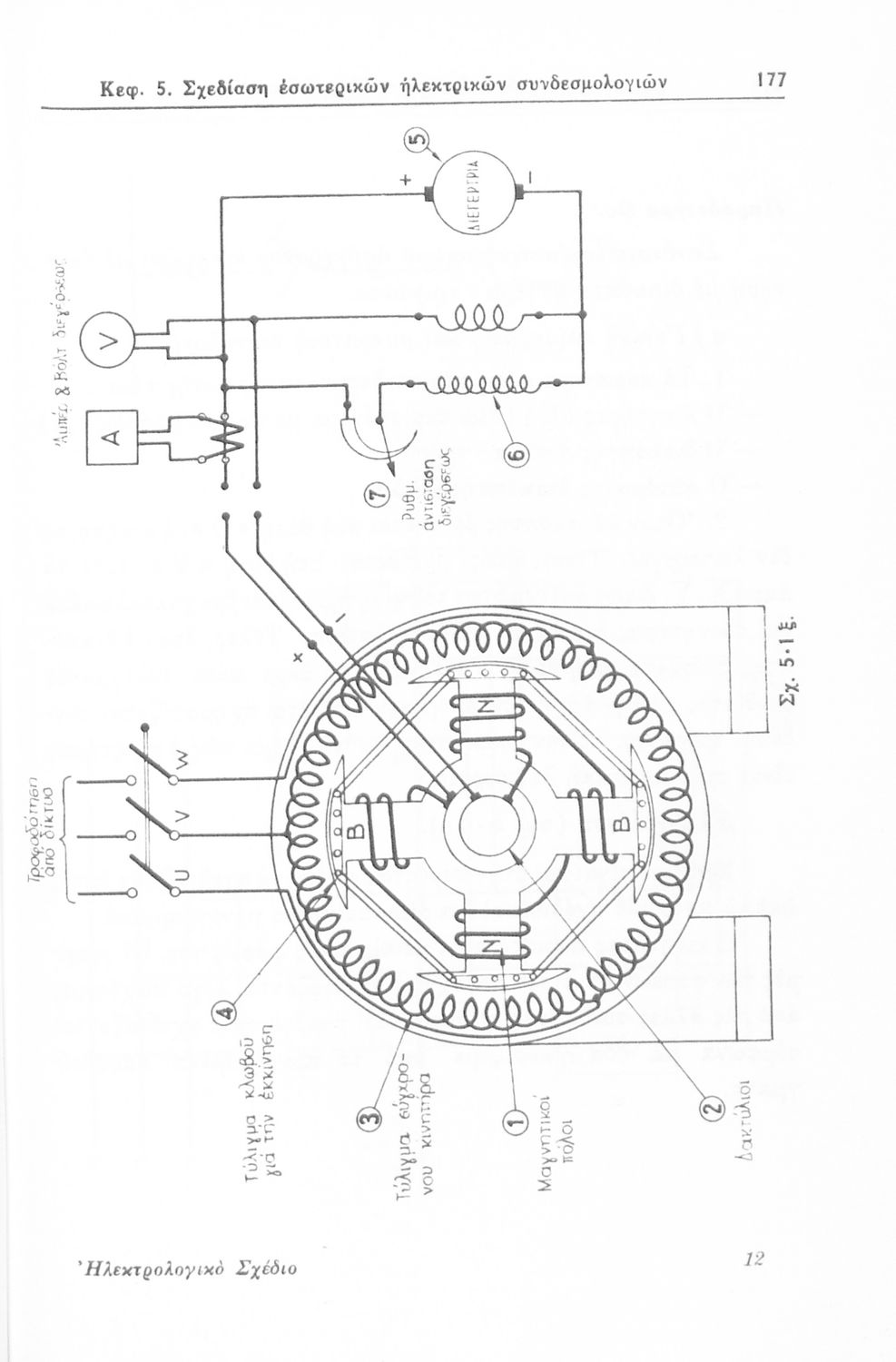
Σχολικό εγχειρίδιο Ηλεκτροτεχνικής για τους μαθητές των Τεχνικών Σχολών της Κατωτέρας και της Μέσης Εκπαίδευσης που αποτελεί εισαγωγή στους τρόπους σχεδίασης των εσωτερικών ηλεκτρολογικών συνδεσμολογιών, των ηλεκτρικών μηχανών και συσκευών καθώς και των εσωτερικών ηλεκτρικών εγκαταστάσεων κατοικιών, εργοστασίων και καταστημάτων.


TopΠΕΔΙΟ ΑΝΑΓΝΩΡΙΣΗΣ

Κωδικός αναγνώρισης: 03-20560386

Τίτλος: Βιβλιοθήκη του Τεχνίτη – Τεχνικό Σχέδιο, Ηλεκτρολογικό Σχέδιο

Συγγραφέας: Μάριος Καλλικούρδης, Ευάγγελος Βάος

Μέγεθος και υπόστρωμα: Σχολικό εγχειρίδιο, μαλακό εξώφυλλο, 224 σελίδες. Εικόνες, σκίτσα ασπρόμαυρα.

TopΠΕΔΙΟ ΠΕΡΙΕΧΟΜΕΝΟΥ

Βαθμίδα εκπαίδευσης: Δευτεροβάθμια

Τάξη: Τεχνικές Σχολές

Μάθημα: Ηλεκτρολογία

Γλώσσα: Δημοτική

Παρουσίαση περιεχομένου: Σχολικό εγχειρίδιο Ηλεκτροτεχνικής για τους μαθητές των Τεχνικών Σχολών της Κατωτέρας και της Μέσης Εκπαίδευσης που αποτελεί εισαγωγή στους τρόπους σχεδίασης των εσωτερικών ηλεκτρολογικών συνδεσμολογιών, των ηλεκτρικών μηχανών και συσκευών καθώς και των εσωτερικών ηλεκτρικών εγκαταστάσεων κατοικιών, εργοστασίων και καταστημάτων.

TopΠΕΔΙΟ ΠΛΗΡΟΦΟΡΙΩΝ ΕΚΔΟΣΗΣ

Εκδότης: Ίδρυμα Ευγενίδου

Έτος έκδοσης: 1964

Τόπος έκδοσης: Αθήνα

Έτος έγκρισης: 1964

TopΠΕΔΙΟ ΠΑΡΑΤΗΡΗΣΕΩΝ

Εντοπισμός πρωτοτύπου: Βιβλιοθήκη της Βουλής των Ελλήνων

Κωδικός βιβλιοθήκης: 20560386

TopΕΥΡΕΤΗΡΙΟ ΘΕΜΑΤΙΚΩΝ ΟΡΩΝ

Σχετιζόμενα πρόσωπα:

Σχετιζόμενοι όροι:


230 εγγραφές [161 - 180]
Σελίδα #153
Σελίδα #154
Σελίδα #155
Σελίδα #156
Σελίδα #157
Σελίδα #158
Σελίδα #159
Σελίδα #160
Σελίδα #161
Σελίδα #162
Σελίδα #163
Σελίδα #164
Σελίδα #165
Σελίδα #166
Σελίδα #167
Σελίδα #168
Σελίδα #169
Σελίδα #170
Σελίδα #171
Σελίδα #172
Σελίδα #173
Σελίδα #174
Σελίδα #175
Σελίδα #176
[Σχολικό Εγχειρίδιο]
Βασίλειος Γ. Βαλαώρας
Τάξη:  Β' Μέσων Τεχνικών – Επαγγελματικών Σχολών
Μάθημα:  Υγιεινή
Σχολικό εγχειρίδιο Υγιεινής για τους μαθητές της Β' Μέσων Τεχνικών Επαγγελματικών Σχολών που πραγματεύεται τους περιβαλλοντολογικούς και κοινωνικούς παράγοντες που επηρεάζουν την υγεία των ανθρώπων.
[Σχολικό Εγχειρίδιο]
Λάζαρος Λαζαρίδης
Τάξη:  Β' Μέσων Τεχνικών – Επαγγελματικών Σχολών
Μάθημα:  Μηχανική
Σχολικό εγχειρίδιο Μηχανικής για τους μαθητές της Β' τάξης των Μέσων Τεχνικών Επαγγελματικών Σχολών. Σκοπός του βιβλίου είναι να προσφέρει στους σπουδαστές τη γνώση των διαφόρων μηχανών και να τους κατατοπίσει
[Σχολικό Εγχειρίδιο]
Βησσαρίωνας Π. Παπασπύρου
Τάξη:  Β' Μέσων Τεχνικών – Επαγγελματικών Σχολών
Μάθημα:  Δίκαιο
Σχολικό εγχειρίδιο Εμπορικού Δικαίου για τους μαθητές της Β' τάξης των Μέσων Τεχνικών Επαγγελματικών Σχολών. Παρουσιάζονται γενικές έννοιες όλων των κλάδων του εμπορικού δικαίου και στοιχεία του δικαίου των ...
[Σχολικό Εγχειρίδιο]
Χρυσ. Καβουνίδης
Τάξη:  Β' Τεχνικού Λυκείου
Σχολικό εγχειρίδιο Ηλεκτρολογικού Σχεδίου Β' Τεχνικού Λυκείου που αποτελεί εισαγωγή στο τεχνικό και ηλεκτρολογικό σχέδιο και παρουσιάζει τη σύνθεση και διάταξη των διαφόρων ηλεκτρικών κυκλωμάτων.
[Σχολικό Εγχειρίδιο]
Σ. Κοντοράβδης
Τάξη:  Γ' Τεχνικού Λυκείου
Σχολικό εγχειρίδιο Ηλεκτρολογικού ΣχεδίουΓ' Τεχνικού Λυκείου που περιέχει υποδειγματικά σχέδια ηλεκτρικών εφαρμογών.
[Σχολικό Εγχειρίδιο]
Χρυσ. Καβουνίδης
Τάξη:  Γ' Τεχνικού Λυκείου
Σχολικό εγχειρίδιο Ηλεκτρολογικού ΣχεδίουΓ' Τεχνικού Λυκείου που περιέχει υποδειγματικά σχέδια ηλεκτρικών εφαρμογών.
[Μαθητικό Βοήθημα]
Θ. Κουζέλης
Τάξη:  Σχολές Ηλεκτροτεχνιτών – Μηχανοτεχνιτών
Μάθημα:  Μηχανική
Μαθητικό βοήθημα Μηχανικής που περιέχει τις απαντήσεις των θεμάτων για τις πτυχιακές εξετάσεις των Σχολών Μηχανοτεχνιτών και εστιάζει στη μηχανική και την αντοχή των υλικών, την τεχνολογία των μηχανών και το ...
[Μαθητικό Βοήθημα]
Θ. Κουζέλης
Τάξη:  Σχολές Βοηθών Εργοδηγών Ηλεκτρικών Εγκαταστάσεων
Μάθημα:  Μηχανική
Σχολικό εγχειρίδιο Μηχανικής και Ηλεκτροτεχνίας που περιέχει τα θέματα εξετάσεων για τις τεχνικές σχολές των βοηθών εργοδηγών ηλεκτρικών εγκαταστάσεων.
[Μαθητικό Βοήθημα]
Αθ. Φ. Παπαγεωργίου, Στρ. Π. Παπαδόπουλος
Μάθημα:  Φυσική
Μαθητικό βοήθημα Φυσικής για τους υποψήφιους Ανωτάτων Σχολών, τους μαθητές Γυμνασίων (κυρίως πρακτικής κατευθύνσεως) και δια τους μαθητάς μηχανοτεχνικών σχολών (εργοδηγούς και ραδιοτεχνίτες). Το βιβλίο ...
[Σχολικό Εγχειρίδιο]
Μιχάλης Καρδαμάκης, Χρ. Γκότσης, Ι. Κωνσταντινίδης, Κ. Λυκάκης
Τάξη:  Β' Γυμνασίου
Μάθημα:  Θρησκευτικά
Σχολικό εγχειρίδιο Θρησκευτικών Β΄ Γυμνασίου που αποτελεί μια ιστορική επισκόπηση της Ορθόδοξης Εκκλησίας από την ίδρυσή της μέχρι την ίδρυση της Εκκλησίας της Ελλάδας.